
MIL-PRF-19500/525F
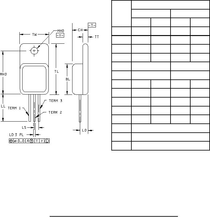
Dimensions
Ltr
Inches
Millimeters
Min
Max
Min
Max
BL
.535
.545
13.59
13.84
CH
.249
.260
6.32
6.60
LD
.035
.045
0.89
1.14
LL
.510
.570
13.46
13.97
LO
.150 BSC
3.81 BSC
LS
.150 BSC
3.81 BSC
TO-254
MHD
.139
.149
3.53
3.78
MHO
.665
.685
16.89
17.40
TL
.790
.800
20.07
20.32
TT
.040
.050
1.02
1.27
TW
.535
.545
13.59
13.84
Term 1
Base
Term 2
Collector
Term 3
Emitter
NOTES:
1. Dimensions are in inches. Millimeters are given for general information only.
2. All terminals are isolated from case.
3. In accordance with ASME Y14.5M, diameters are equivalent to φx symbology.
FIGURE 2. Dimensions and configuration for 2N6546T1 and 2N6547T1 (TO-254).
5
For Parts Inquires call Parts Hangar, Inc (727) 493-0744
© Copyright 2015 Integrated Publishing, Inc.
A Service Disabled Veteran Owned Small Business