
MIL-PRF-19500/525F
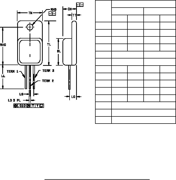
Dimensions
Ltr
Inches
Millimeters
Min
Max
Min
Max
BL
.410
.430
10.41
10.92
CH
.190
.200
4.83
5.08
LD
.025
.035
0.64
0.89
LL
.500
.750
12.70
19.05
TO-257
LO
.120 BSC
3.05 BSC
LS
.100 BSC
2.54 BSC
MHD
.140
.150
3.56
3.81
MHO
.527
.537
13.39
13.63
TL
.645
.665
16.38
16.89
TT
.035
.045
0.89
1.14
TW
.410
.420
10.41
10.67
Term 1
Base
Term 2
Collector
Term 3
Emitter
NOTES:
1. Dimensions are in inches.
2. Millimeters are given for general information only.
3. Methods used for electrical isolation of the terminals feedthroughs shall employ materials that contain a
minimum of 90 percent AL2O3 (ceramic).
4. In accordance with ASME Y14.5M, diameters are equivalent to φx symbology.
FIGURE 3. Dimensions and configuration for 2N6546T3 and 2N6547T3 (TO-257).
6
For Parts Inquires call Parts Hangar, Inc (727) 493-0744
© Copyright 2015 Integrated Publishing, Inc.
A Service Disabled Veteran Owned Small Business